uPI推出Intel IMVP9的Vcore Power Solution-uP9523PQKI
2019-05-27
uPI推出Intel IMVP9的Vcore Power Solution-uP9523PQKI

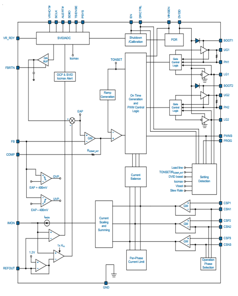
uP9523是一款兼容INTEL IMVP9的3相PWM穩壓控制器,適用於移動型電腦以及桌上型電腦平台應用。uP9523PQKI內建兩個5V MOSFET drivers與bootstrap diodes。此控制器支援3/2/1相位配置,為平台電源設計提供靈活性。此裝置同時結合了真實的differential output voltage sense, inductor DCR current sense, input voltage sense 與adaptive voltage positioning來提供CPU精準的調節電壓.
功能特點:
• INTEL IMVP9兼容移動型及桌上型CPU
• RCOT架構控制
• 內建兩組5V MOSFET drivers
• 支援相位關閉功能
• 可選擇的穩壓器參數
• 系統輸入電源監控
• 溫度感測
• 過電壓保護/低電壓保護/過電流保護/過溫關閉
Functional Block Diagram:
應用電路:三相位操作模式


uP9523是一款兼容INTEL IMVP9的3相PWM穩壓控制器,適用於移動型電腦以及桌上型電腦平台應用。uP9523PQKI內建兩個5V MOSFET drivers與bootstrap diodes。此控制器支援3/2/1相位配置,為平台電源設計提供靈活性。此裝置同時結合了真實的differential output voltage sense, inductor DCR current sense, input voltage sense 與adaptive voltage positioning來提供CPU精準的調節電壓.
功能特點:
• INTEL IMVP9兼容移動型及桌上型CPU
• RCOT架構控制
• 內建兩組5V MOSFET drivers
• 支援相位關閉功能
• 可選擇的穩壓器參數
• 系統輸入電源監控
• 溫度感測
• 過電壓保護/低電壓保護/過電流保護/過溫關閉
Functional Block Diagram:
應用電路:三相位操作模式

我要聯絡
相關新聞
- 2019-09-06 uPI推出USB3.1 Gen2 10G TVS Solution-uT148Z
- 2019-09-03中國大陸第一顆!易沖半導體自己搞定USB 3.1中繼晶片
- 2019-09-03千呼萬喚,英特爾10納米NUC終於發布
- 2019-08-16英特爾NUC: 冥王峽谷之深度揭秘
- 2019-08-12東芝存儲器株式會社在閃存峰會上展示業界最先進企業級應用的[1]PCIe®4.0SSD